
MIL-DTL-24643C
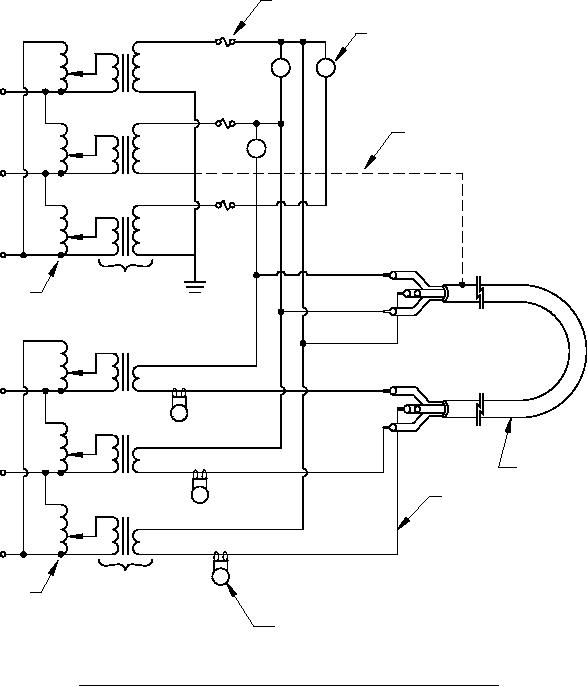
FUSE (OR OVERLOAD RELAY)
TEST VOLTAGE METER
V
V
GROUND ATTACHMENT
FOR ARMORED CABLES
V
ONLY
3 PHASE
60 HZ
VOLTAGE
SOURCE
A
VOLTAGE
AUTO
STEP-UP
XFMR
XFMR (IF NEEDED)
B
A
A
B
3 PHASE
60 HZ
SPECIMEN
VOLTAGE
SOURCE
A
BUSBAR
A
CURRENT
AUTO
XFMR
XFMR
INDUCTIVE-PICKUP
TEST CURRENT METER
FIGURE 4. Application of test voltage and test current for accelerated service test.
69
For Parts Inquires call Parts Hangar, Inc (727) 493-0744
© Copyright 2015 Integrated Publishing, Inc.
A Service Disabled Veteran Owned Small Business