
INCH-POUND
MIL-DTL-49055/12C
4 August 2000
SUPERSEDING
MIL-C-49055/12B
16 February 1990
DETAIL SPECIFICATION SHEET
CABLES, SPECIAL PURPOSE, ELECTRICAL,
FLEXIBLE, FLAT, UNSHIELDED, ROUND CONDUCTOR,
200 °C
Inactive for new design after 16 June 1997
This specification is approved for use by all Departments
and Agencies of the Department of Defense.
The requirements for acquiring the product described herein shall consist of this specification sheet
and the issue of MIL-DTL-49055 listed in that issue of the Department of Defense Index of Specifications
and Standards (DoDISS) specified in the solicitation.
REQUIREMENTS:
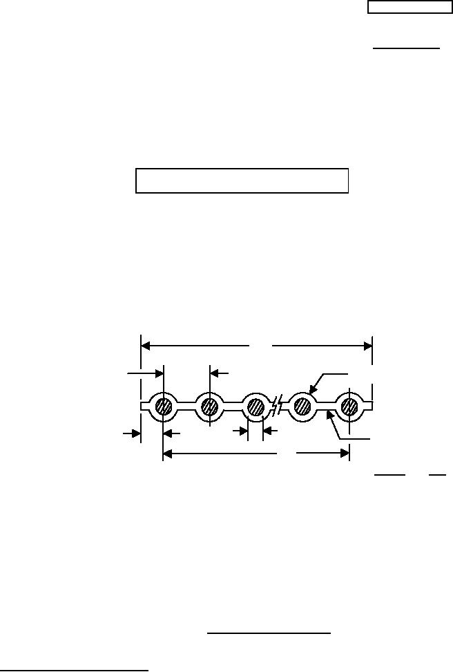
A
.050±.003
.005 (SEE NOTE 3)
TYP
D
.025
.018 (SEE NOTE 4)
±.007
B
Inches
mm
.003
0.08
.005
0.13
.007
0.18
.018
0.46
.025
0.64
NOTES:
.050
1.27
1. Dimensions are in inches.
2. Metric equivalents are for general information only.
3. Minimum insulation thickness.
4. Maximum web thickness.
FIGURE 1. Round conductor flat cable.
AMSC N/A
1 of 4
FSC 6145
DISTRIBUTION STATEMENT A. Approved for public release; distribution is unlimited.
For Parts Inquires call Parts Hangar, Inc (727) 493-0744
© Copyright 2015 Integrated Publishing, Inc.
A Service Disabled Veteran Owned Small Business