
MIL-DTL-24640C
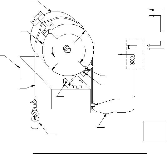
ROTATING
MOTOR DRIVEN
CYLINDER
ATTACHED TO ASSURE MOTOR
SHUT-OFF WHEN RELAY
ACTIVATES (AS BY PLACING
IN SERIES WITH MOTOR
ELECTRICAL POWER SOURCE)
CYLINDER
NORMALLY CLOSE
LATCHING RELAY
DIR OF
180° ±2
ROTATION
TO ELEC
WIPER ON
FIXED SURFACE
CYLINDER
8 IN. ±1/8
ABRADING ELEM
(ONE OF TWO)
CLAMP TO HOLD
ABRADING ELEM
SPEC
(ONE OF FOUR)
COUNTER
CLAMP OR OTHER MEANS
TO ATTACH SPECIMEN
END TO FIXED SURFACE
V
SPEC CNDCT
SOURCE
12V
WEIGHT: 1 LB ±0.5 OZ
MINIMUM
FIGURE 2. Diagram of abrading machine for the abrasion resistance test.
50
For Parts Inquires call Parts Hangar, Inc (727) 493-0744
© Copyright 2015 Integrated Publishing, Inc.
A Service Disabled Veteran Owned Small Business