
MIL-DTL-24640C
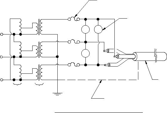
FUSE (OR OVERLOAD RELAY)
TEST VOLTAGE METER
V
V
V
SPECIMEN
AUTO
V.
TRANSFORMER
STEP-UP
TRANSFORMER
(IF NEEDED)
GROUND ATTACHMENT FOR
ARMORED CABLES ONLY
FIGURE 6. Application of test voltages for the gas flame test.
54
For Parts Inquires call Parts Hangar, Inc (727) 493-0744
© Copyright 2015 Integrated Publishing, Inc.
A Service Disabled Veteran Owned Small Business